背景:急性呼吸窘迫综合征(ARDS)是多因素的,可由脓毒症、创伤或肺炎等原发性疾病引起。它是危重病人死亡的主要原因之一,据报道死亡率高达45%。本研究的重点是建立烟雾吸入诱导ARDS的大型动物模型,以期为科学界提供可靠、可重复的孤立性毒性吸入损伤诱导的ARDS大型动物模型。方法:全身麻醉下在超声引导下放置颈动脉、肺动脉和股动脉导管后,动物(n = 21)暴露于烟雾中 1 至 2 小时。在整个过程中监测外周血氧饱和度(SpO2)、生命体征和呼吸参数。在烟雾暴露之前、期间和之后采集胸部x光片、颈动脉、股动脉和肺动脉血样。吸入烟雾48小时后,对动物实施安乐死并收集肺组织进行分析。结果:吸入烟雾48小时后,动物出现ARDS,表现为SpO2下降约31%,PaO2/FiO2比率下降约208(50%),胸部x光检查出现双侧弥漫性浸润。结论:这项研究首次报道了一种新大动物模型,该模型不存在诸如皮肤烧伤等混杂变量,可用于独立性烟雾吸入诱导ARDS。使用这种独特的模型可能有助于研究吸入性损伤的病理生理学或开发新的治疗方法。
简介:急性呼吸窘迫综合征 (ARDS) 是危重患者的严重肺部疾病,据报道死亡率为 30-45%。 自 1994 年以来,死亡率没有显著变化。 ARDS 可由多种肺部直接和间接损伤引起,包括败血症、外伤、肺炎和烟雾吸入/烧伤。 了解ARDS的病理生理学和分子机制对于开发新的ARDS治疗策略至关重要。柏林标准基于PaO2/FiO2(动脉氧分压/吸入氧分数)比值、呼气末正压(PEEP)水平、胸部x光片上双侧肺浸润的发展以及已知临床损伤一周内正常的肺毛细血管楔压(PCWP)对ARDS进行分类。据报道,ARDS 中的肺损伤经历三个病理生理阶段:渗出期涉及肺泡上皮损伤,导致肺通透性增加;增殖期包括Ⅱ型细胞增殖、上皮细胞再生、成纤维细胞反应和重塑;以及不可逆的纤维化期,包括肺中的胶原沉积。为了了解ARDS的发展,能够模拟这些病理生理阶段的可靠动物模型至关重要。先前的研究使用小鼠模型评估 ARDS 受控诱导后的肺气体交换和呼吸生理学。然而,这些小鼠模型在诱导机械通气和采集血样方面存在局限性,因此不适用于模拟 ARDS 临床表现所必需的长期研究。据报道,大型动物模型在 ARDS 研究中显示出更好的转化潜力。 由于在解剖学、遗传学和生理学方面与人类相似,猪模型被认为是肺部病理学的优秀模型。 各种研究使用猪模型来研究肺发育、急性肺损伤 (ALI)/ARDS 和其他疾病。烟雾吸入是烧伤后发生ARDS的主要原因之一,死亡率约为30-90%。有几种大型动物模型可用于烟雾/烧伤诱导的ARDS。然而,目前还没有合适的大动物模型可用于研究孤立性烟雾吸入诱导的ARDS,而不存在诸如皮肤烧伤等混杂变量。烟雾吸入性损伤后ARDS的发生率因患者而异,并取决于多个变量,如颗粒物浓度、一氧化碳浓度、烟雾中的挥发性化合物等。烟雾吸入性损伤是导致室内火灾中人类急性肺损伤/ARDS的主要损伤;皮肤烧伤的存在/不存在在患者的整体病理生理学中起着附加作用,这使该患者群体的医疗和外科治疗变得非常复杂。
动物:母猪 (约50 kg, n = 21)据我们所知,与公猪相比,母猪对ARDS的易感性并不高。我们的研究合作者先前仅使用母猪通过气管内脂多糖开发了严重ARDS的猪模型,在当前研究中使用母猪部分原因是通过对比肺损伤评估其模型的可靠性和再现性。
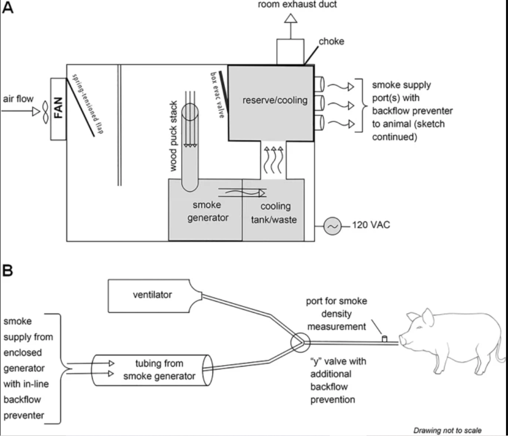
烟雾输送系统:完成所有外科手术后,将动物暴露于定制烟雾发生器产生的橡木烟雾中,该烟雾发生器与气管插管并联。烟雾输送系统的示意图如图1所示。

外科手术:肌肉注射替拉唑(4.4 mg/kg)、氯胺酮(2.2 mg/kg)和甲苯噻嗪(2.2 mg/kg)的混合物来对动物进行诱导麻醉,根据需要静脉推注芬太尼(0.05 mg/kg)和/或异丙酚(2-4.4 mg/kg),后实施外周静脉导管(PIV)放置和气管内插管。在吸入烟雾之前以及吸入烟雾后24和48小时拍摄胸部x光片。将气管插管插入气管,以 6 mL/kg 的潮气量 (TV) 和 5 cmH2O 的 PEEP 对动物进行通气。调整呼吸频率(RR)以维持潮气末二氧化碳(ETCO2)监测的正常呼吸。在外科手术(中心静脉和动脉导管放置)期间,吸入氧的分数 (FiO2) 设置为 50%,然后滴定至 21% 并在整个实验过程中保持不变。在手术过程中,使用50%的FiO2减轻动物的应激,持续30-40分钟。非侵入性监测包括通过放置在动物后腿周围的袖带测量血压、通过Surgivet监护仪记录的外周血氧饱和度(SpO2)、心率(HR)和ETCO2。通过直肠探头监测核心温度,并使用循环加热毯来防止身体冷却。使用无菌技术和超声引导,放置颈动脉(CA)和股动脉(FA)导管,用于连续实验室抽血和有创血压监测。 在超声引导下,将肺动脉导管置入颈内静脉。CA和PA接入端口分别通过传感器连接至Surgivet监视器和Vigilance II监视器。在整个研究过程中监测有创动脉血压、中心静脉压(CVP)、肺动脉压(PAP)、心输出量(CO)、混合静脉血氧饱和度(SmvO2)和中心(核心)温度。从CA、FA和PA导管中抽取血样。对存活手术中的镇静/麻醉动物进行持续监测,直到恢复胸骨卧位。完成吸入烟雾后,移除所有导管。 在吸入烟雾后 48 小时重复外科手术操作。
烟雾吸入:完成外科手术后,SI 组的动物通过气管插管接触来自定制烟雾室的橡木烟雾。 从 0 小时时间点开始,烟雾暴露的持续时间为 1 至 2 小时。 烟雾是在室温下以受控方式产生的。本研究中未测量烟雾密度/颗粒负荷。吸入的烟雾量约为每小时500升。在实验过程中持续监测有创和无创参数。接触烟雾后,从动脉端口和 PAC 收集血样。持续监测动物直至从全身麻醉中恢复。 如果动物出现血流动力学不稳定(通过低血压(收缩压低于 60)和不可逆的去饱和度决定),则立即停止烟雾接触。
通气参数:在吸入烟雾当天,呼吸机参数保持在以下值:潮气量,6 mL/kg = 270-360L/min; 呼吸频率,18-30次/分钟; PEEP 5 毫米汞柱; 和 FiO2,21–34%。 在烟雾吸入损伤后的 48 小时内,将动物拔管并保持在室内空气中。在烟雾吸入性损伤后48小时,再次将动物置于呼吸机上,重复导管放置的手术程序,完成系列实验室、成像和BAL取样,并根据IACUC协议对动物进行人道安乐死。在研究的最后一天,呼吸机参数与吸入烟雾当天相似,只是将 PEEP 保持在 0。
术后动物监测和护理:从手术麻醉中恢复后,将所有动物转移到术后恢复围栏,并由经过培训的人员每天24小时对其进行监测。在最终烟雾暴露后24小时和48小时,进行胸部x光检查并抽取血样进行ABG分析。
支气管肺泡灌洗 (BAL):在一组6只插管动物中,使用支气管镜在基线、2小时和48小时的时间点进行猪肺BAL。通过支气管镜向二级和三级支气管注入10ml无菌生理盐水,并收集5毫升液体进行分析。BAL液体样品在4°C下以400g离心10分钟,上清液储存在− 80°C,直到分析。
结果:研究分为两个阶段。研究的第一阶段旨在确定ARDS发生所需的最佳烟雾暴露时间。如图 2 中的流程图所示,根据烟雾吸入时间对动物进行划分。 吸入烟雾 1 小时指定为“SI 1 h”(n = 3),吸入烟雾 2 小时指定为“SI 2 h” ”(n = 18)。15 只动物成功完成烟雾吸入 (SI) 实验并在接触烟雾后 48 小时存活,6 只动物在手术过程中因麻醉/手术并发症或烟雾吸入相关并发症死亡。

烟雾吸入降低大动物模型外周血氧合:在烟雾吸入实验当天以及烟雾吸入后24小时和48小时连续测量SpO2水平。吸入烟雾1小时或2小时后,两组的SpO2水平约为95%,并在吸入烟雾后24小时开始下降。然而,与基线 (98 ± 2%) 和 SI 1 h 组相比,SI 2 h 组的 SpO2 水平在吸烟后 48 小时 (68 ± 6%) 显著下降。与SI 1h组的10%相比,SI 2h组的δSpO2(ΔSpO2)值降低了约30%。此外,与基线值和SI 1h组相比,在烟雾暴露48小时后,SI 2h组的PaO2/FiO2比率约降低至193.4。这些结果表明,在暴露于烟雾后 48 小时,吸入烟雾 2 小时的动物表现出呼吸窘迫的迹象,表现为 SpO2 值下降到 68% 以下,并表明肺有损伤。在剩下的研究中,我们集中在烟雾暴露持续时间的2小时时间点,并重复实验以确保该模型的再现性。将动物暴露于烟雾中2小时,并指定为“SI”动物。我们观察到与基线值相比,SpO2下降了22–40%。此外,与相应的基线值相比,动脉和混合静脉血氧饱和度(SaO2和SmvO2)降低了约39–43%。
烟雾吸入诱发低氧血症的大动物模型:在整个研究过程中,从动脉和混合静脉血样本中测量了动脉血气 (ABG)。动脉氧分压(PaO2)水平在烟雾暴露后1小时开始下降,并在烟雾暴露后48小时从基线值95 mmHg显著下降至43 mmHg。正如预期的那样,二氧化碳分压 (PaCO2) 水平升高,ΔPaCO2 值与基线值相比增加了 27.5 ± 2.34 mmHg。吸入烟雾后 48 小时,pH 值也显著降低,HCO3 水平没有显著变化。与吸入烟雾后的PaCO2值升高一致,潮气末CO2(ETCO2)——测量气管插管呼出的CO2浓度——从基线值33.9 ± 12.8 mmHg显著增加至吸入烟雾48小时后的52.63 ± 13.5 mmHg。
先前的研究记录了 PaO2/FiO2 比值以评估动物模型中的低氧血症水平。还证明,在烟雾暴露48小时后,PaO2/FiO2比率显著降低(198.87 ± 37.13),其中40%的动物的值小于170。基线和烟雾暴露后48小时ΔPaO2/FiO2值之间的差值约为208。此外,与基线相比,吸入烟雾48小时后红细胞压积(Hct)、血红蛋白(Hb)和氧合血红蛋白分数(FO2Hb)值降低。与相应的基线值相比,吸入烟雾后 48 小时,血液的总动脉氧含量 (CaO2) 和混合静脉氧含量 (CmvO2) 也显著降低。心率(HR)、体温(Temp)、平均动脉压(MAP)和肺动脉压(PAP)无明显变化。
烟雾吸入对肺实质的影响:据报道,吸入烟雾会增加毛细血管渗漏。与先前的研究一致,我们在烟雾损伤后48小时,通过胸部x光片对肺损伤进行反复放射学评估,观察到弥漫性双侧浸润。相比之下,吸入烟雾前拍摄的胸部x光片显示两个肺都正常。与对照动物组相比,烟雾暴露48小时后肺组织的组织学检查显示白细胞浸润、肺泡内出血和肺泡水肿的数量增加。与对照动物相比,烟雾暴露 48 小时后肺组织的平均湿干重 (W/D) 比有所增加。在两个对照组和两个烟雾吸入动物的石蜡包埋肺组织切片中进行Ki67免疫组织化学。与对照组动物相比,吸入烟雾后48小时的动物肺组织切片显示增殖细胞数量在统计学上显著减少。,从6只动物采集的BAL液样本显示,与基线相比吸入烟雾48小时后BAL液的总蛋白浓度显著增加。
烟雾吸入对IL-6表达水平的影响:与基线水平相比,暴露于烟雾后48小时,BAL液样本中的IL-6水平显著升高,2小时时略有升高。10只动物血浆样本中的IL-6免疫分析也表明,吸入烟雾2小时后,SI动物的IL-6水平较基线显著升高。与对照组动物相比,吸入烟雾后48小时,SI动物肺组织裂解物免疫印迹中IL-6表达水平显著上调,进一步验证了BAL液和血浆样本免疫分析中IL-6表达水平的增加。
结论:首次开发了一种新型的大型动物隔离烟雾吸入诱导的 ARDS 模型,该模型模拟人类 ARDS,并且没有皮肤烧伤或腹内脓毒症等混杂变量。该模型将有助于更好地了解烟雾吸入诱发 ARDS 过程中涉及的病理生理机制,并有助于开发新的治疗策略。




